叠加式压力补偿器 ZDC06

PDF下载

描述

叠加式压力补偿器

液压原理图

联系我们

展开全部

  • 技术特性


    ● 在P到A或P到B流道内负载补偿(内装梭阀)
    ● 2通型 "P"
    ● 3通型 "PT"
    ● 最大压力: 31.5MPa
    ● 与先导式或直动式比例换向阀合用于流量调节
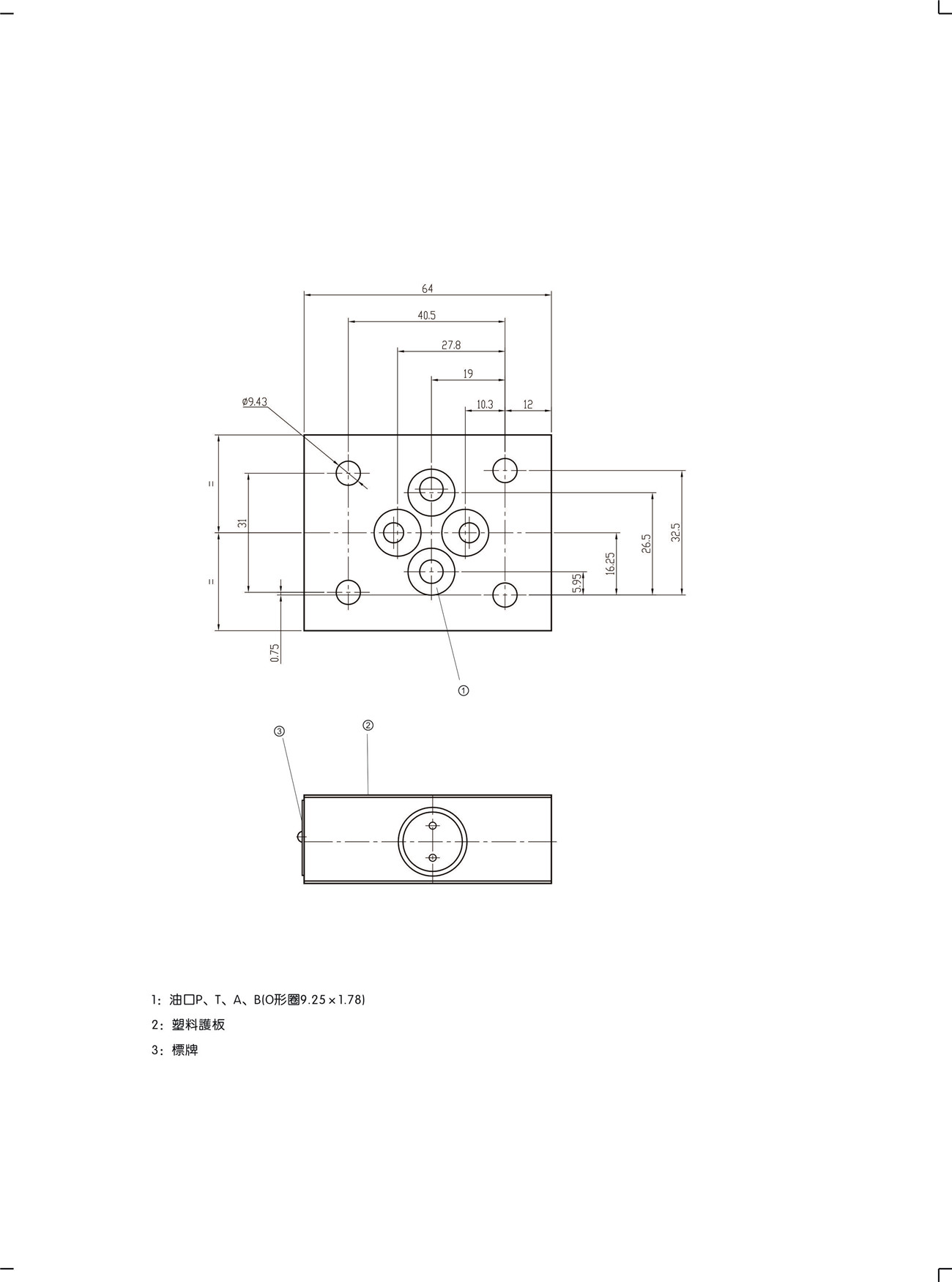
    ● 叠加阀,安装面按ISO 4401

  • 技术曲线

  • 技术参数

  • 文件下载

  • 相关辅件

联系我们