展开全部
收起全部
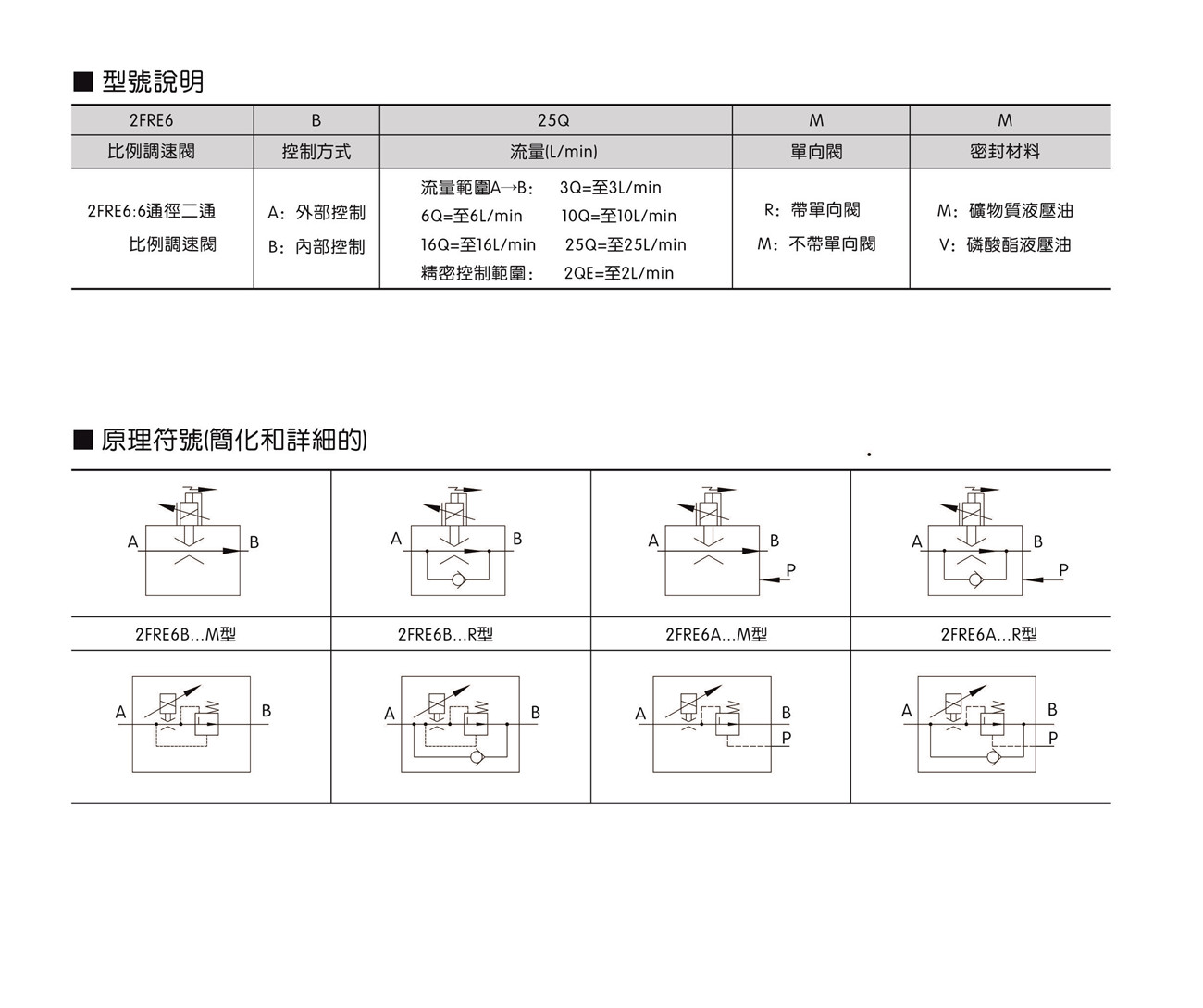
-
技术特性
● 带压力补偿,用于不受压差影响地控制油液流量
● 由比例电磁铁操作
● 带控制节流的电气位置反馈
● 传感器线圈轴向可调,简化了节流口的零点调节
(电气、液压)
● 用整流叠加板,在两个方向上调节流量
● 流量特性和动态特性好,压力损失小,适用于
要求高、流量较小的系统
● 广泛应用于机床、轻工、冶金、工程、矿山等各
个领域
-
技术曲线


-
技术参数
文件下载
PDF文件相关辅件






