集成式比例放大器  KT-4WRAE

PDF下载

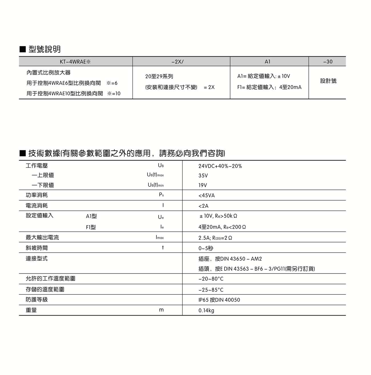
描述

集成式比例放大器

液压原理图

联系我们

展开全部

联系我们