展开全部
收起全部
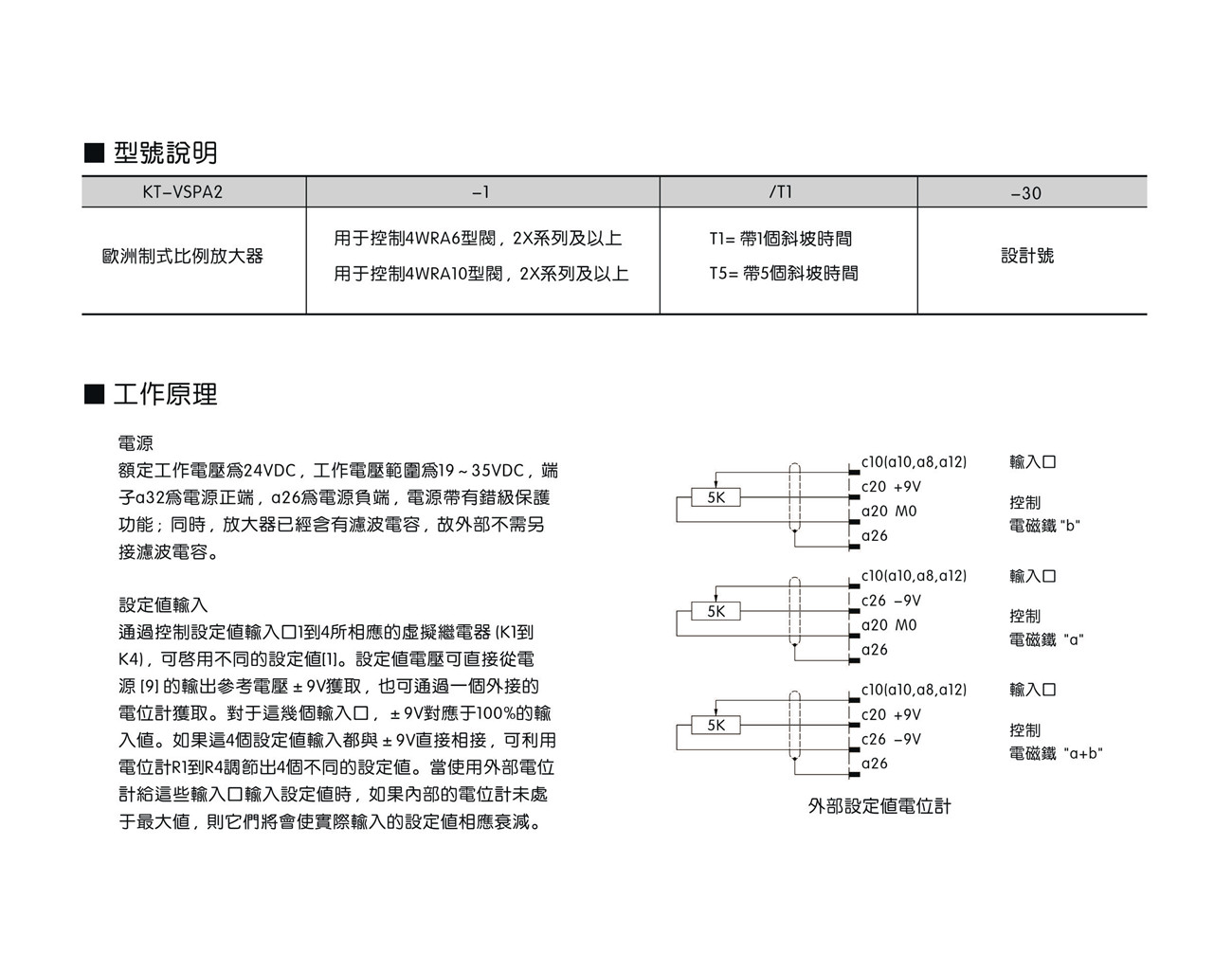
-
技术特性
● 适用于控制力士乐系列和北京华德不带电气位移反馈的
双电磁铁比例方向阀(4WRA6 , 4WRA10 , 2X系列及以上)
● CPU采用功能强大的32位处理器
● 差分输入0...±10V , 可转换成电流输入
● 4个设定值单路输入 , 分别带有设定值调节电位计 , 启动
时带LED显示
● 带有1个斜坡时间调节电位计 (对T1型) 或5个斜坡时间调节
电位计 (对T5型)
● 带LED显示的使能输入和故障报警功能
● 2个脉宽调制输出端口
● 带有6个模拟继电器 , 用于设定值启动、斜坡切断和辅助
电压反向
● 阶跃信号发生器、斜坡信号发生器
● 具有电源错级保护功能
● 带DC/DC转换电源 , 参考电压±9V的零点与供电电压零点
同 电位
● 设计为欧板制式100×160mm印刷电路板及导轨安装 , 操
作面板40×128.4mm
配套支架安装:
型号KT-PAH-32D或KT-3002-2X/32D , 欧板标准尺寸,
32位D型端子 , 无电源模块 , 详见RD13781和RD13782
-
技术曲线
-
技术参数





