展开全部
收起全部
-
技术特性
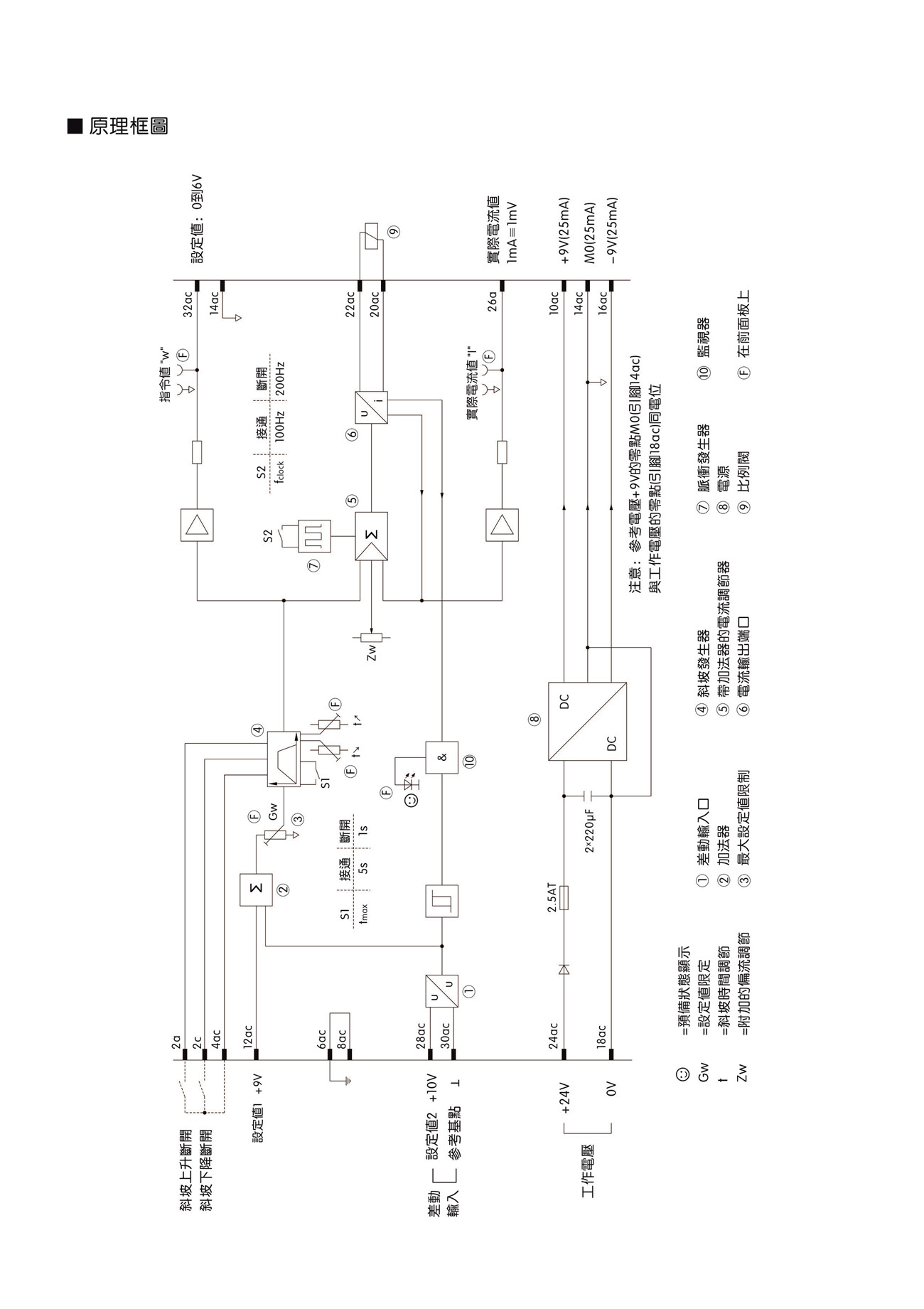
● 适用于控制力士乐系列和北京华德所有先导式和直动式
单电磁铁比例压力控制阀
● CPU采用功能强大的32位处理器
● 差分输入
● 设定值输入 0 到+9 V
● 带 LED 显示的故障报警功能
● 斜坡信号发生器
● 带 DC/DC 转换电源
● 参考电压±9V 的零点与供电电压零点同电位
● 具有电源错级保护功能
● 电磁铁电缆短路保护
● 电磁铁电缆断线检测
● 设计为欧板制式 100×160 mm 印刷电路板及导轨安装,
操作面板 20×128.4 mm
配套支架安装:
型号RT-PAH-32D或RT-3002-2X/32D,欧板标准尺寸,
32位D型端子,无电源模块,详见RD13781和RD13782
-
技术曲线
-
技术参数





